Retificadores de Tensão

As propriedades de um material semicondutor podem ser modificadas quando adicionamos pequenas quantidades de átomos de impureza ao material puro, como silício, germânio ou arseneto de gálio. Esse processo é chamado de dopagem. Quando são adicionados átomos que possuem cinco elétrons de valência (como fósforo, arsênio ou antimônio), forma-se um material do tipo N, no qual sobra um elétron livre que pode se mover facilmente pelo material, facilitando a condução de corrente elétrica. Por outro lado, quando a dopagem é feita com átomos que possuem três elétrons de valência (como boro, gálio ou índio), forma-se um material do tipo P. Nesse caso, falta um elétron para completar as ligações químicas, surgindo um espaço vazio chamado lacuna, que se comporta como uma carga positiva e também participa da condução de corrente.
O diodo semicondutor é formado quando um material do tipo P é unido a um material do tipo N, criando uma estrutura chamada junção PN. No instante em que esses dois materiais entram em contato, alguns elétrons livres do lado N começam a se mover para o lado P, onde existem lacunas. Quando um elétron encontra uma lacuna, ocorre a recombinação, ou seja, eles se anulam. Esse processo faz com que surja uma região próxima à junção onde praticamente não existem mais elétrons livres nem lacunas disponíveis para conduzir corrente. Essa região é chamada de região de depleção, pois há uma ausência de portadores de carga livres. Ela funciona como uma barreira elétrica natural dentro do diodo, controlando a passagem de corrente elétrica através do dispositivo.

Se um potencial externo for aplicado à junção p-n de modo que o material do tipo n seja ligado ao terminal positivo e o material do tipo p seja ligado ao terminal negativo (polarização reversa), o número de íons positivos e negativos descobertos da região de depleção aumentará.
Desta forma, o efeito será um alargamento desta região, estabelecendo uma barreira grande demais para ser superada pelos portadores majoritários e reduzindo o fluxo deles a zero. Porém, ainda existirá um número de portadores minoritários que entram na região de depleção, resultando em um fluxo de portadores minoritários.
Dando origem a uma corrente de saturação reversa (IS).

A condição de polarização direta é estabelecida quando se aplica no material do tipo p um potencial positivo e no material do tipo n
um potencial negativo. Neste tipo de polarização ocorre uma redução na
largura da região de depleção, pois a aplicação desse potencial forçará
uma recombinação entre os elétrons no material do tipo n e as lacunas no material do tipo p
que estão próximos à fronteira. A redução da região de depleção resulta
em um intenso fluxo de portadores majoritários através da junção.
Quanto maior for o valor da tensão aplicada, menor será a largura da
região de depleção, até que se chega em um ponto em que uma torrente de
elétrons passa através da junção, ocasionando um aumento exponencial da
corrente.

Este comportamento do diodo possibilita a passagem de corrente em um
sentido enquanto bloqueia a passagem no outro. Por conta disto, o diodo
pode ser utilizado em diversas aplicações. Como por exemplo em circuitos
retificadores, onde a corrente alternada é convertida em corrente
contínua.

Como pode ser visto na figura 4, quando o ponto A está positivo em relação ao ponto B (semiciclo positivo), o diodo está polarizado diretamente e, portanto, a corrente circula de A até B. Quando o ponto A está negativo em relação ao ponto B, o diodo está polarizado inversamente e, portanto, não conduz. Por conta desse comportamento, tem-se corrente na carga somente nos semiciclos positivos de entrada. Ou seja, os semiciclos positivos passam para a saída e os semiciclos negativos ficam no diodo. Nesta configuração, a frequência na saída é igual à frequência da entrada.

Como pode ser visto nas formas de ondas da figura 5 acims, ao se considerar o
diodo como ideal, veremos que teremos a tensão e a corrente de pico
sendo dadas por


Analisando o circuito, pode se notar que a corrente que passa pelo diodo é igual a corrente da carga e este é um dos valores que precisam ser considerados na escolha do diodo. Outra variável a ser considerada na escolha do diodo é a tensão reversa, que como pode ser visto nas curvas é o próprio valor de VP.
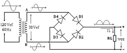
Outro exemplo de circuito retificador é mostrado na imagem abaixo:

Como pode ser visto na figura 6, quando A é positivo em relação a B, a corrente sai de A passa por D1, RL, D3 e chega ao ponto B. Quando A é negativo em relação a B, a corrente sai de B passa por D2, RL, D4 e chega ao ponto A. Ou seja, somente dois diodos conduzem de cada vez, quando o ponto A é positivo D1 e D3 conduzem, quando o ponto A é negativo D2 e D4 conduzem.
Por conta deste comportamento, para qualquer polaridade de A ou de B a corrente da carga circula num único sentido em RL. Desta forma, temos somente os semiciclos positivos na saída. Nesta configuração, a frequência na saída é o dobro da frequência da entrada.

Como pode ser visto nas formas de ondas da figura 7, ao se considerar o
diodo como ideal, veremos que teremos a tensão e a corrente de pico
sendo dadas por:


Pela configuração do circuito, pode se notar que a corrente que passa pelo diodo será metade da corrente média da carga ( ), pois eles conduzem pela metade do tempo em relação a carga. E este é um dos valores que precisam ser considerados na escolha do diodo. Outra variável a ser considerada na escolha do diodo é a tensão reversa, que como pode ser visto nas curvas é o próprio valor de VP.
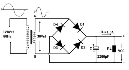
Porém, mesmo com a configuração de onda completa, a tensão de saída ainda é inadequada para alimentar a maioria dos circuitos eletrônicos, pois a ondulação na saída do circuito retificador é muito grande. Por conta disto, é preciso realizar uma filtragem desta tensão para nivelar a forma de onda, tornando-a mais próxima de uma tensão contínua pura.
A maneira mais simples de efetuar esta filtragem é através de um capacitor de alta capacitância em paralelo com a carga RL, como mostrado na figura abaixo. A função deste capacitor é reduzir a ondulação na saída do retificador, sendo que quanto maior for o valor deste capacitor menor será a ondulação na saída do circuito.

No semiciclo positivo os diodos D1 e D3 conduzem e carregam o capacitor com o valor de pico (VP) da tensão. Assim que a tensão de entrada cair a zero, o diodo para de conduzir e o capacitor mantém-se carregado e descarrega lentamente em RL. No semiciclo negativo os diodos D2 e D4 conduzem, fazendo com que o capacitor volte a se carregar até o valor de pico e siga repetindo esse processo.
Na configuração de meia onda, o capacitor recarrega 60 vezes por segundo, já na configuração de onda completa o capacitor recarrega 120 vezes por segundo. Desta forma, a filtragem para o retificador de onda completa é mais eficiente do que para o retificador de meia onda, pois o capacitor descarrega durante um tempo menor e com isto a sua tensão permanece próxima de VP até que seja novamente carregado.
As possíveis formas de onda na saída estão mostradas abaixo.

As equações para o retificador de onda completa são as mesmas utilizadas
para meia onda, no entanto, a frequência de ondulação para meia onda é
60Hz e para onda completa é 120Hz.

Referências Bibliográficas
- BOYLESTAD, Robert L. Dispositivos eletrônicos e teoria de circuitos / Robert L. Boylestad, Louis Nashelsky; tradução Sônia Midori Yamamoto; revisão técnica Alceu Ferreira Alves. – 11. ed. – São Paulo: Pearson Education do Brasil, 2013.
- CORRADI, Romeu. Circuitos Retificadores. Projetos práticos. Disponível em:<https://everton.eng.br/pages/Battery%20charger/pdfs/2__Circuitos_Retificadores.pdf>. Acesso em 23 de ago. 2021.